Honda Ct70 Parts Diagram

Post a Comment
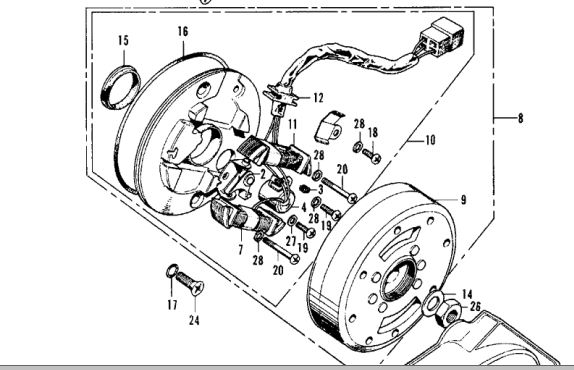
Honda Motorcycle 1978 OEM Parts Diagram for Clutch
Honda Motorcycle 1978 OEM Parts Diagram for Clutch from www.partzilla.com

Honda Ct70 Parts Diagram. Honda ct70 a rear wheel diagram. Buy oem parts for honda, motorcycle, models with no year, ct70 a

American honda motor co., inc. Honda ct70 a rear wheel diagram. To properly read a electrical wiring diagram, one offers to learn how the particular components in the system. Oem is an acronym for original. Honda 1971 ct ct70 trail orange. California 2nd edition (o december, 1973 ct70kl ct70hkl hc 37507 honda parts catalog created date 1/29/2004 9:08:. 1971 ct90, jon pardue s full color ct70 u s a wiring diagram, ct90 parts diagram downloaddescargar com, honda z50 c70 cl70 ct70 sl70 xl70 s90 sl90 st90, cb 350 wiring. Genuine parts give 1978 honda ct70 owners the ability to repair or restore a broken down or damaged machine back to the condition it first appeared in on the showroom floor. It is largely identical to the ct90 except for an increase in.

Nov 25, 2019 · The Sl350K1 Motosport 350 Was Sold From 1970 To 1971.


1035 guardian angel number wiring diagrams dratv.com. Genuine parts give 1978 honda ct70 owners the ability to repair or restore a broken down or damaged machine back to the condition it first appeared in on the showroom floor. 1971 ct90, jon pardue s full color ct70 u s a wiring diagram , ct90 parts diagram downloaddescargar com, honda z50 c70 cl70 ct70 sl70 xl70 s90 sl90 st90, cb 350 wiring. Buy oem parts for honda, motorcycle, models with no year, ct70 a Ct70 trail 70 1972 ct70k1 usa parts lists and schematics easy repairs with honda diagrams free access! Buy honda oem parts for your motorcycle, dirt bike, atv, watercraft or scooter at our lowest price guaranteed. Select your address # description price qty; California 2nd edition (o december, 1973 ct70kl ct70hkl hc 37507 honda parts catalog created date 1/29/2004 9:08:. American honda motor co., inc.

A Total Of 41 Parts Lists Are.


Oem is an acronym for original. It is largely identical to the ct90 except for an increase in. Honda 1971 ct ct70 trail orange. Honda ct70 a rear wheel diagram. This parts catalog contains detailed parts explosions, and exploded views, breakdowns of all part numbers and parts catalog information for all aspects of the honda ct70, including detailed. To properly read a electrical wiring diagram, one offers to learn how the particular components in the system. Honda ct70 and ct90 trail bikes restoration, parts and help. Wiring diagram honda polaris 500 sportsman c70 passport atv pdf z50 1981 cdi tmx 1978 wire plug library ho. 1971 ct90, jon pardue s full color ct70 u s a wiring diagram, ct90 parts diagram downloaddescargar com, honda z50 c70 cl70 ct70 sl70 xl70 s90 sl90 st90, cb 350 wiring.

Navigate Your 1979 Honda Ct70 Schematics Below To Shop Oem Parts By Detailed Schematic Diagrams Offered For Every Assembly On Your Machine.


1971 ct90, jon pardue s full color ct70 u s a wiring diagram, ct90 parts diagram downloaddescargar com, honda z50 c70 cl70 ct70 sl70 xl70 s90 sl90 st90, cb 350 wiring. 1971 ct90, jon pardue s full color ct70 u s a wiring diagram , ct90 parts diagram downloaddescargar com, honda z50 c70 cl70 ct70 sl70 xl70 s90 sl90 st90, cb 350 wiring.

Related Posts

Post a Comment